projekty:mypower
Toto je starší verze dokumentu!
Obsah
1880Wp ostrovní hybridní FV systém
- Diskuze na fóru.
Základní informace
- trvale obydlená 4 podlažní chata 66.4m2 (5+kk) v chatové oblasti + kancelář (obor IT, vývoj www aplikací, správa serverů)
- v provozu od 6/2010 s původním výkonem 800Wp
- od 7/2012 přidáno 6*180Wp, výkon zvýšen z 800Wp na 1880Wp
- FV panely polykrystal: 4 x 200Wp = 800Wp, monokrystal 6x180Wp vše umístěno na šikmou střechu s orientací na jih
- po dvouletém provozu cca 400Ah olověné trakční AKU z původních 600Ah
- 24V systémové napětí, k dispozici také 12V, 16V a 19V
- 2x MPPT regulátor Epsolar 4215 MPPT 45A
- bez přípojky k distribuční síti, bez výkupu energie, bez dotací a bez zeleného bonusu.
Spotřebiče
FV systémem jsou napájeny následující spotřebiče:
12V z 24/12 DC DC měniče
16V z baterií přes DCDC měnič
19V z baterií přes DCDC měnič
- WiFi
24V z baterií
- 3000W měnič 24V / 230V
230V za střídačem
200W Cartrend
- záloha.
300W Cartrend
- záloha.
2500W
- osvětlení - 5W úsporky.
- pračka 2200W (maximalní příkon)
- bojler 1000W + 2200W
- rychlovarná konvice 2200W
- dobíjení foťáku, mobilu, aku šroubováku…
- 2 x 22„ monitor bez externího napájení (Acer + Philips)
230V za centrálou
- 1200W ponorné čerpadlo
- krátkodobé dobíjení baterií FV systému v případě nedostatku el. en (v zimním období)
Příkon
ve 12V větvi
- do 10A max - omezeno 10A jističem
v 16V větvi
- 4A max - maximální výkon DCDC měniče
v 19V větvi
- 3.5A max - maximální výkon DCDC měniče
ve 24V větvi
- 20A / 30A max - DCDC měnič 24/12V
ve 230V větvi ze střídače
- 200W střídač - záloha - modif.sinus
- 300W střídač - záloha - modif.sinus
- 600W střídač - záloha - modif.sinus
- 2500W střídač - el. nářadí, čerpadla, pračka, bojler, atd. - čistý sinus
ve 230V větvi za centrálou
- 1200W max
Zkušenosti
únor 2011
- současné 600Ah (200+400) baterie pokryjí 4 dny spotřeby pokud je zataženo, nebo v zimním období, což lze velmi snadno v budoucnu vykrýt větrným generátorem. Jinak řečeno, když nesvítí, tak se do 4 dnů „žádná tragedie neděje“, až poté by přišla nachvíli na řadu elektrocentrála.
- od února 2011 nastávají obrovské přebytky energie díky provedení energetické optimalizace. Velmi lituji, že mám zatím jen benzinové auto a ne elektromobil!
- elektrocentrála nebyla od února 2011 v provozu jinak než krátkodobě (například 10 minut na přečerpání vody, atd.)
- vzhledem k oboru činnosti (IT - vývoj software, práce z domova) je nepřerušovaný zdroj elektrické energie nezbytností. Této podmínce však současný FV systém zcela vyhovuje a ještě generuje velké přebytky (viz graf níže s daty v průběhu 62 dnů).
- zahradní technika (sekačka, křovinořez, motorová pila) je benzinová - není tak potřeba řešit vysoký výkon z FV pro tyto výkonné spotřebiče
- kuchyň = propan + butan
- koupelna = lázeňská kamna s elektrickým dohřevem (zužitkování přebytků z FVE)
srpen 2011
- nastal problém s Trakčními bateriemi
- Baterie jsou v provozu od května 2010 a nynější kapacita jedné původně 100Ah baterie vychází na 12Ah.
- Diskuze týkající se objeveného problému při dobíjení (credits by JiriK) a postup měření při testování kapacity je na fóru.
- Výsledky měření. Celý průběh měření je na grafu vpravo (klikněte pro zobrazení původní velikosti).
listopad 2011
- otevřeny baterie po záruce a zjištěn nedostatek vody. Bylo tedy dolito 3.5L destilované vody do 4 olověných baterií. Ponaučení: nikdy nekupuj olovo bez možnosti kontroly svépomocí, takzvané bezúdržbové baterie, pokud nechceš do roka kupovat nové.
leden 2012
- od 19.1.2012 opět centrála už patrně nebude potřeba, problém s bateriemi částečně vyřešen díky desulfataci a údržbě baterií
duben 2012
- upraveno zapojení rozvaděče - baterie spojeny do jediného pole místo původních BAT1 a BAT2 zůstala pouze BAT2 - je to o něco lepší než dvě pole baterií. Baterie v BAT1 přes zimu 2010-2011 značně trpěly hlubokým vybitím protože narozdíl od BAT2 nebyly připojeny k dobíječi a byly dobíjeny pouze sluncem. V zimě ale bývá občas dosti dlouho zataženo.
červenec 2012
- Systém rozšířen z 800Wp na 1880Wp. V plánu je brzký přechod z 12V systémového napětí na 24V systémové napětí. Centrála s tímto výkonem FVE v zimě patrně už nebude potřeba, i když jeden nikdy neví ;)
srpen 2012
- přechod na 24V systémové napětí, ukončení provozu PWM regulátorů, přechod na MPPT regulátory
září 2012
- připojen 2500W měnič - čistý sinus
- připojena pračka
- připojena rychlovarná konvice, elelektrický vařič pro zužitkování přebytků, záloha = plyn.
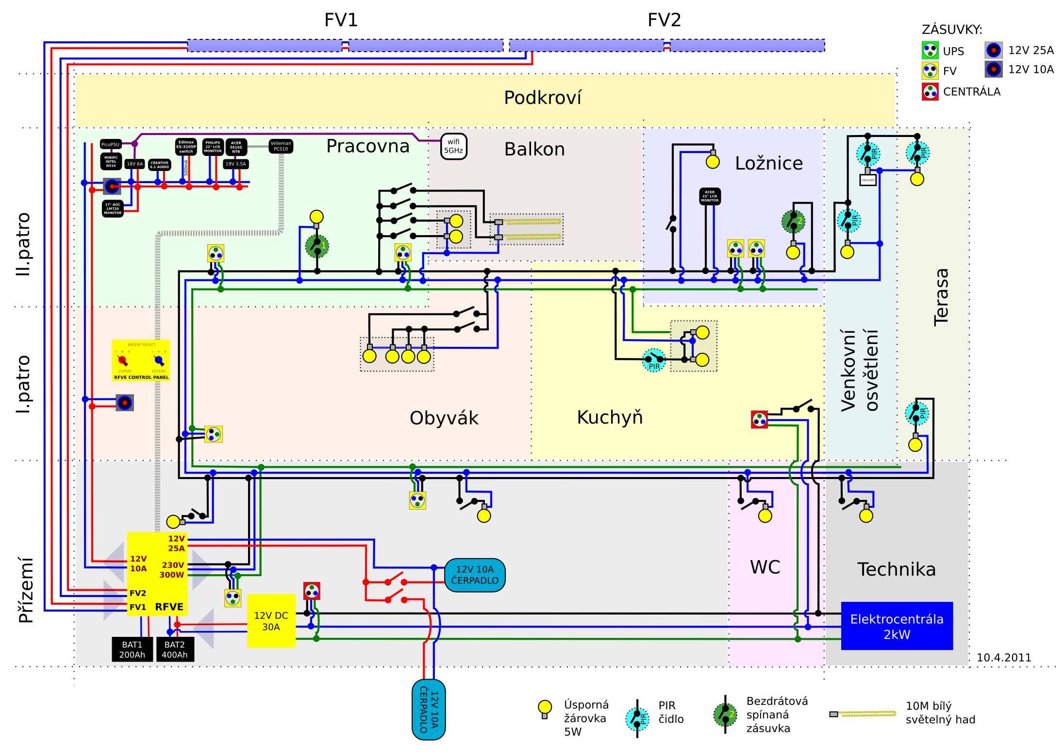
Schéma zapojení rozvaděče a domácnosti
Aktuální stav systému
napětí a proud během posledních 7 dnů
<html><img src=„http://mypower.cz/cmsdata/graphs/fve-mypower/fvlog_fvlog_7d_700x400.png“></html>
<html><img src=„http://mypower.cz/cmsdata/graphs/fve-mypower/fvlog_fvlog~current_7d_700x400.png“></html>
Odkazy
Články a rozhovory
projekty/mypower.1361317325.txt.gz · Poslední úprava: 2013/02/20 06:42 (upraveno mimo DokuWiki)





